İnanılmaz doğruluk ve standartlara göre daha yüksek itme yükü sağlayan NSVX500, şimdiye kadarki en güçlü Döner Tablalarımızdan biridir.
Petrol ve gazla ilgili endüstrilerde kullanılmak üzere tasarlanan NSVX500, benzersiz bir hidrolik sıkma sistemine sahiptir ve bu da onu alaşımlı ve işlenmesi zor malzemelerin yüksek derinliklerde kesimi için ideal kılar.
NSVX500 yüksek mukavemet, kolay bakım ve ömür boyu dayanıklılık için tasarlanmıştır.


NSVX500 | |
---|---|
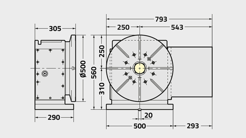
Tabla Çap[Ømm] | 500 |
Tabla Ölçüsü/Tipi | Kurt diş Kaplin |
Standart Motor Yönü (Sağ Tablalar için Sol yan Seçenek mevcut) | Sağ |
İş Mili Delik Çapı [Ømm H7] | 80 |
İş Mili Sayısı x Eksen aralığı [mm] | 1 |
Merkez Yüksekliği [mm] | 310 |
Merkez Yüksekliği [mm] | 14 |
Sıkma Sistemi | Hİdrolik |
Sıkma Torku [Nm] | 5880 |
Motor Şaftında Tabla Ataleti [Kg m2 x 103] | 3.9 |
Servo Motor [d/d] | αiF12·2000 |
Min. Artış [Derece] | 1/0.001 |
Dönme Hızı [d/d] | 16.6 |
Toplam Redüksiyon Oranı | 1/120 |
Indeksleme Hassasiyeti [sn.] | ±2 |
Indeksleme Hassasiyeti Ultra Hassas [sn.] | N/A |
Net Ağırlık [Kg] | 410 |
Maks. Masada Dikey İş Yükü [Kg] | 250 |
Maks. Masada Yatay İş Yükü [Kg] | 500 |
Maks. Masada Yatay İtme Yükü [N] | 58800 |
Sonsuz vida dişlisinin Frensiz Gücü (Dinamik Kesim İtişine Karşı) [FxL Nm] | 5880 |
Maks. Masa üzerindeki itme Yükü [FxL Nm] | 3920 |
Maks. Dengesizlik Yükü (Destekli Dikey) [Nm] | 100 |
Maks. İş Ataleti [Kg m2] | 6.4 |
Sürme Torku [Nm] | 576 |