CNC260T, NIKKEN tarafından bugüne kadar üretilmiş çok yönlü bir Döner tabladır. Bu tablo, minimum maliyetlerle 4. eksen yetenekleri sağlamak için geniş bir yelpazedeki dikey işleme merkezlerinde kullanılır.
Döner tabla standart bir hava freni ile monte edilebilir veya sıkma torkunu neredeyse 1568 Nm gibi üç kata çıkaran bir hidrolik fren sistemi ile donatılabilir.
CNC260B, uygulamaya bağlı olarak dikey veya yatay olarak kullanılabilme özelliğiyle işleme merkezinizin kullanımını maksimuma çıkarmak için mükemmel bir çözüm sunar.
NIKKEN CNC260T de motor, döner tablanın üst tarafına monte edilmiştir. Ayrıca sol, sağ ve arka taraf motor montajlı - CNC260 ve CNC60B hallerini de tedarik ediyoruz.
CNCZ260T nin, hızlı bir şekilde yatırım geri dönüşü sağlayabilen, standart olarak yüksek hızlı motoru vardır.
Döner tabla, özel isteklerinize göre çeşitli motor ve kontrol üniteleriyle tedarik edilebilir - daha fazla bilgi için indirme bölümüne bakın veya bizimle iletişime geçin.
| CNC(Z)260T | |
|---|---|
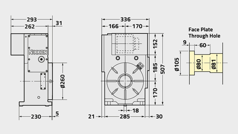
| Tabla Çap[Ømm] | 260 |
| Tabla Ölçüsü/Tipi | Standart |
| Standart Motor Yönü (Sağ Tablalar için Sol yan Seçenek mevcut) | Üst |
| İş Mili Delik Çapı [Ømm H7] | 80 |
| İş Mili Sayısı x Eksen aralığı [mm] | 1 |
| Merkez Yüksekliği [mm] | 170 |
| Merkez Yüksekliği [mm] | 12 |
| Sıkma Sistemi | Hava/Hidrolik |
| Sıkma Torku [Nm] | 588/1568 |
| Motor Şaftında Tabla Ataleti [Kg m2 x 103] | 1.5 |
| Servo Motor [d/d] | αiF4·3000 |
| Min. Increment [Degrees] | 0.001 |
| Min. Artış [Derece] | 25.0 (50.0) |
| Toplam Redüksiyon Oranı | 1/120 (1/60) |
| Indeksleme Hassasiyeti [sn.] | 20 |
| Indeksleme Hassasiyeti Ultra Hassas [sn.] | N/A |
| Net Ağırlık [Kg] | 160 |
| Maks. Masada Dikey İş Yükü [Kg] | 175 |
| Maks. Masada Yatay İş Yükü [Kg] | N/A |
| Maks. Masada Yatay İtme Yükü [N] | 42480 |
| Sonsuz vida dişlisinin Frensiz Gücü (Dinamik Kesim İtişine Karşı) [FxL Nm] | 1442 |
| Maks. Masa üzerindeki itme Yükü [FxL Nm] | 2320 |
| Maks. Dengesizlik Yükü (Destekli Dikey) [Nm] | 50 |
| Maks. İş Ataleti [Kg m2] | 3.2 (1.6) |
| Sürme Torku [Nm] | 192 (153) |